Home >
LED's >
LED Displays
Double Hi-Red 0.80" 7-Seg Common Anode LED Display Data
| Photograph |
|---|
|
| Features |
|---|
|
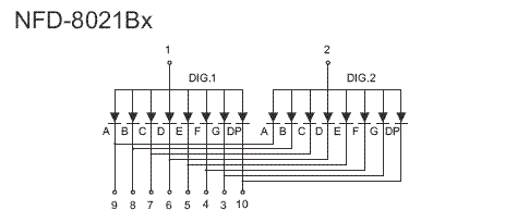
| Circuit Diagram |
|---|
|
| Dimensions |
|---|
|
| Specifications |
|---|
Display
Absolute Maximum Ratings
Electro-Optical Data (@ 20mA)
|


Integrated Circuits