Home >
LED's >
LED Displays
Double Yellow 0.8" Common Cathode 7-Seg Individual LED Display Data
| Photograph |
|---|
|
| Features |
|---|
|
| Circuit Diagram |
|---|
|
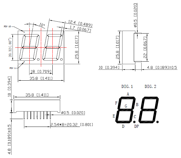
| Dimensions |
|---|
|
| Specifications |
|---|
Display
Absolute Maximum Ratings
Electro-Optical Data (@ 20mA)
|


Integrated Circuits