Home >
Switches >
Tactile Switches
Raised Tactile Switch Technical Data
Photograph
Product Details
- Ideal for Control Panels and Keypads
- SPST Momentary ON Contact
- Economically Priced
- PCB Mounting
- RoHS Compliant
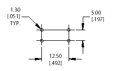
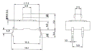
Dimensions
All Dimensions are in mm
Specifications
Contact Data
- Current Rating: 50mA @ 12Vdc
- Operating Force: 160±30 or 250±50gf
- Travel: 0.3±0.15mm
- Contact Resistance: 100mohm Maximum
- Life Cycles: 100,000 Cycles Minimum
- Bounce Time: 10mS


Integrated Circuits