Home > 
							Switches > 
							Tactile Switches
						
Small Black Tactile Switch Technical Data
											Photograph
										
										
	
										
											Product Details
										
										- Ideal for Keypads and LCD Displays
 - SPST Momentary ON Contact
 - Economically Priced
 - PCB Mounting
 - RoHS Compliant
 
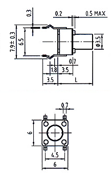
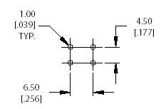
											Dimensions
										
										
											
											All Dimensions are in mm
											Specifications
										
										Contact Data
- Current Rating: 50mA @ 12Vdc
 - Operating Force: 160±30 or 250±50gf
 - Travel: 0.3±0.15mm
 - Contact Resistance: 100mohm Maximum
 - Life Cycles: 100,000 Cycles Minimum
 - Bounce Time: 10mS
 


Integrated Circuits